

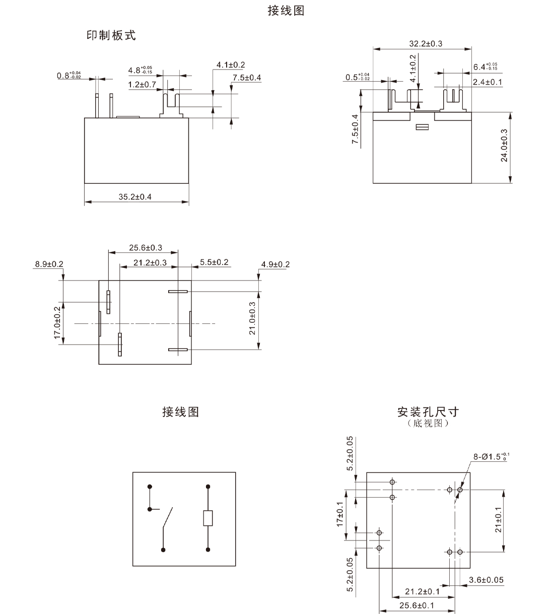
备注:
(1) 产品外形图的引脚标注尺寸为沾锡前尺寸(沾锡后会变大),安装孔尺寸为推荐的PCB板孔的设计尺寸,具体PCB板孔设计尺寸可根据产品实物进行测绘、调整;
(2) 产品部分外形尺寸未注尺寸公差,当外形尺寸≤1mm,公差为±0.2mm;当外形尺寸在1mm ~ 5mm之间时,公差为±0.3mm;当外形尺寸>5mm,公差为±0.4mm;
(3) 安装孔尺寸中未注尺寸公差为±0.1mm。

备注:
(1) 可以以周期码后加(T)的形式表示AgSnO2触点;
(2) 当引出脚为快连接式时,请勿在引出脚上直接焊接;
(3) 客户特殊要求由我司评审后,按特性号的形式标识。