通用继电器产品选型
触点形式:
线圈电压:
额定负载:
引出端方式:
-
产品型号/特性
产品图尺寸(mm)
最大额定切换电流
触点形式
线圈电压
引出端方式
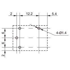
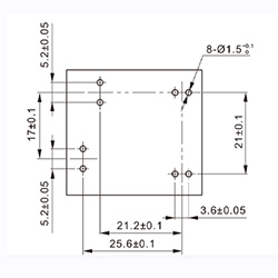
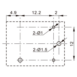
安装孔位图
-
19.0 x 15.2 x 15.5
15A
1H,1Z
3-48VDC
印制板式
-
18.4 x 10.2 x 15.3
10A
1H,1Z
3-48VDC
印制板式
-
18.4 x 10.2 x 15.3
10A
1H
3-48VDC
印制板式
-
20.5 x 10.2 x 15.3
10A
1H,1Z
3-48VDC
印制板式
-
35.2 x 32.2 x 24.0
30A
1H
5-60VDC
印制板式和快连接式
-
20.5 x 7.2 x 15.0
5A
1H
5-24VDC
印制板式
-
29.0 x 12.6 x 24.2
20A
1H
5-48VDC
印制板式和快连接式
-
19.0 x 15.2 x 15.5
15A
1H,1Z
5-48VDC
印制板式
-
47.0 x 32.0 x 28.5
16A
1H,1D,1Z
6-277
快连接式
-
47.0 x 32.0 x 28.5
18A
1H,1D,1Z ,1H+1D
6-120VDC
快连接式
-
30.5 x 16.0x 23.5
25A
1H
4-48VDC
印制板式和快连接式
-
32.3 x 27.1 x 20.0
40A
1H,1D,1Z(NO) ,1C(NC)
2VA
印制板式
-
32.4x 27.5 x 27.8
40A
1H,1D,1Z(NO) ,1C(NC)
2VA
印制板式和快连接式
-
50.0x 27.2 x 27.8
40A
1H,1D,1Z(NO) ,1C(NC)
2VA
快连接式
-
32.4x 27.3 x 27.8
40A
1H,1D,1Z(NO) ,1C(NC)
2VA
印制板式和快连接式
-
21.2 x 16.0 x 21.8
20A
1H,1D,1Z
3-48VDC
印制板式
-
22*16.6*16
17A
1H,1Z
3-48VDC
印制板式
-
31.8x 27.0 x 19.1
40A
1H,1D,1Z(NO) ,1C(NC)
5-110VDC
印制板式
-
32.2x 27.5 x 28.0
40A
1H,1D,1Z(NO) ,1C(NC)
5-110VDC
印制板式和快连接式
-
28.4x 23.5 x 15.3
40A
1H,1D,1Z(NO) ,1C(NC)
5-110VDC
印制板式
-
31.8x 27.0 x 19.1
40A
1H,1D,1Z(NO) ,1C(NC)
5-110VDC
印制板式
-
32.2x 27.5 x 19.8
40A
1H,1D,1Z(NO) ,1C(NC)
5-110VDC
印制板式和快连接式
-
51.2x 46.6 x 36.5
50A
1D
5VA
快连接式
-
22.5 x 16.5 x 16.5
10A
1H,1Z
3-48VDC
印制板式
-
19.0 x 15.2 x 15.5
277VAC/28VDC
1H,1Z(NO) ,1C(NC)
5-48VDC
印制板式
-
20.2 x 16.5 x 20.2
15A
1H,1D,1Z
3-48VDC
印制板式
-
18.4 x 10.2 x 15.3
5A
1H
3-48VDC
印制板式
-
52.0 x 33.7 x 26.7
30A
2H,2Z
5-277VDC
印制板式、快连接式
-
29 x 12.7 x16.7
12A/16A
1H, 1Z、2H, 2Z
5-24VDC
印制板式
-
27.5 x 32.2x 31.2
40A
1H,1D,1Z(NO) ,1Z(NC)
5-110VDC
印制板式和螺纹端子引出式
-
22 x 16 x 10.9
16A
1H
3-24VDC
印制板式
-
31.8 x 27 x 19.1
50A
1H
5-110VDC
印制板式